顺德职业技术学院“势在必行”城市空间创意设计大赛
(36号参赛同学作品)“木韵”——“势在必行”城市室内设计深业城电商办公室
2018-02-06
指导老师:梁耀明老师 梁小媚老师
作者:李佳乐 冼雯静 李志莹 张芷君
登场!!
拾光工作室首次项目——深业城公寓电商办公室
刚接到这个项目时,我们的内心是无比激动的!
这是位于佛山市顺德区北滘镇105国道的公寓住宅,甲方爸爸购置了一层楼作为电商办公室。对于设计的要求,需容纳8-10名员工,有展厅,影棚。
以下是几张现场的勘察照片
考察过后,我们的方案也正式开始设计啦
方案展示,开始!
目录
材料表
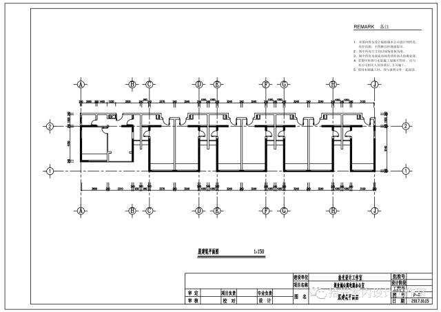
原建筑平面图
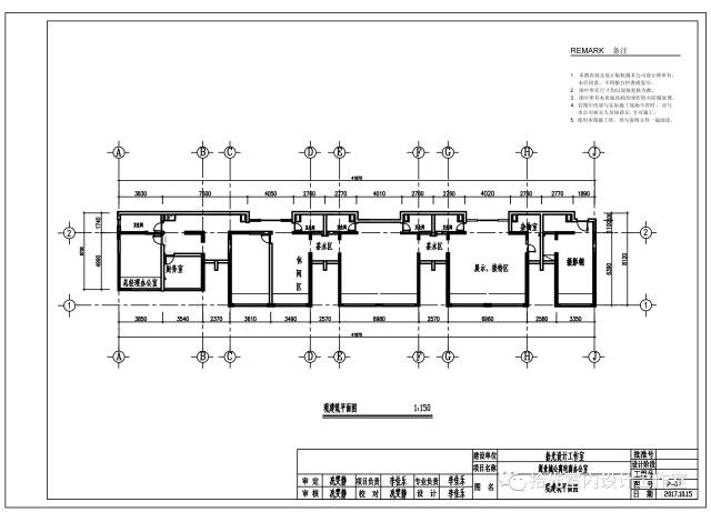
现建筑平面图
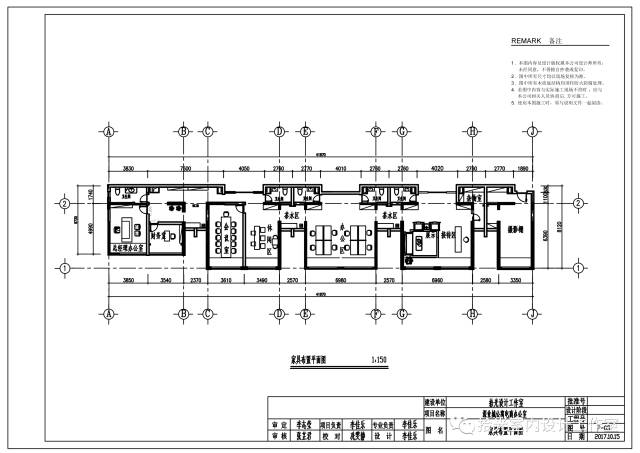
家具布置平面图
天花图
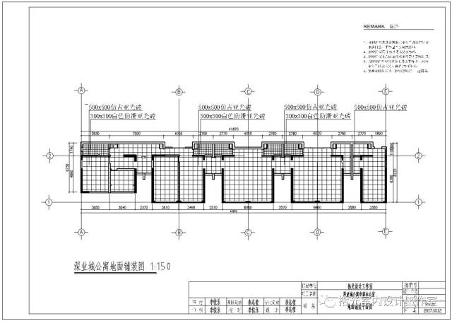
地花图
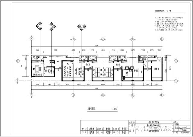
索引图
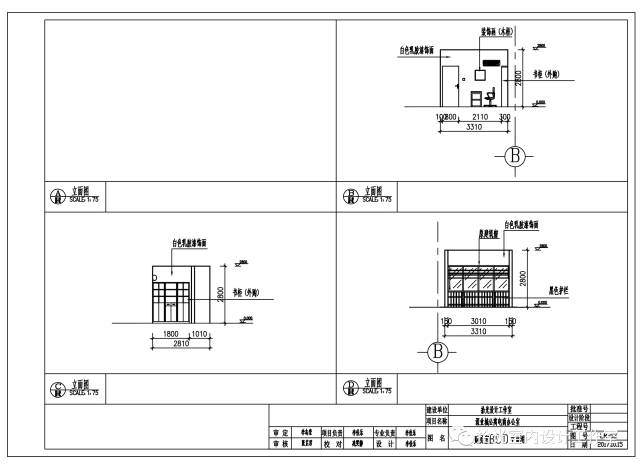
休闲区立面图
财务室立面图
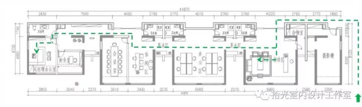
经理路线
客户路线
员工路线
功能分区
色调
以白+原木为主,辅以黑灰绿色。
乳胶漆 百叶窗 仿古亚光砖 白色亚光砖
风格参考
原建筑模型图
现建筑模型图
梁位图
截面图
鸟瞰图
前台
会客+展示厅
员工办公室
休闲区
茶水间
财务室
总经理办公室
会议室
摄影室
卫生间
过道
工作室各成员手绘稿
感谢看到这里的小可爱们!

